pec-SCR : Redrisseur a thyristors

Un redresseur à thyristors PEC-SCR, est un convertisseur de laboratoire permettant de convertir un courant alternatif en courant continu tout en offrant un contrôle précis de la tension ou du courant de sortie. Grâce à l'utilisation de thyristors, il est possible de modifier l'angle d'amorçage (α\alphaα) pour réguler la quantité de puissance transmise à la charge, ce qui le rend particulièrement adapté aux applications nécessitant une alimentation variable, comme le contrôle des moteurs à courant continu ou d'outre charges . Disponibles en configurations monophasées ou triphasées, ces redresseurs se distinguent par leur capacité à fournir un rendement élevé et une grande flexibilité, bien qu'ils puissent générer des harmoniques nécessitant une correction par filtres.
Caractéristiques
Tension d'entrée : 380 V
Courant de sortie maximum : 20 A
Signaux de commande numériques : [3.3V 15V]
Signaux de commande analogique : 0-10V
Capteurs du courant : 1 Capteur de sortie (0.5A/V)
Capteurs de tension : 1 Capteur pour Udc (100V/V)
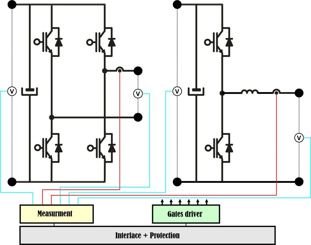
pec-CSR : Redresseur MLI


Le redresseur MLI est un convertisseur bidirectionnel conçu pour générer une tension continue filtrée et réglée, dépassant les pics des tensions alternatives d’entrée. Capable d’injecter ou d’absorber des courants sinusoïdaux dans le réseau avec un facteur de puissance unitaire, il offre une grande polyvalence et peut être utilisé comme redresseur bidirectionnel en puissance, filtre actif ou compensateur statique de puissance réactive (STATCOM).
Le PEC-CSR, est doté de toutes les fonctionnalités nécessaires pour des applications avancées, telles que l’entraînement des machines électriques ou les systèmes d’énergies renouvelables. Il comprend une unité de conditionnement des signaux de commande, des dispositifs de mesure de courant et de tension, des unités de protection, ainsi que des inductances d’entrée. Ce convertisseur constitue ainsi une solution complète et fiable pour les environnements exigeants et les bancs d’essais.
Le PEC-CSR existe on version IGBT et Version MOSFET SIC distingue par l’utilisation de MOSFETs en carbure de silicium, qui autorisent des fréquences de commutation très élevées, améliorant ainsi les performances et la compacité du système.
Caractéristiques
Tension d’entrée max : 400VAC
Tension de sortie max : 800VDC
Courant max : 20A
Fréquence de commutation max :20 kHz pour IGBT, 200 kHz pour SiC
Inductance :5 mH / 10A pour IGBT, 1 mH / 30A pour SiC
Condensateur : 1000 µF
Entrée DB37 des signaux MLI : Compatible avec l’unité de commande CU-SLRT, CU-LVRT, CU-DSP, CU-ARM, CU-FPGA, CU-SOC et dSPACE (pas besoin d’interface d’isolation TTL/CMOS).
Sortie DB37 des signaux MLI : Non utilisée, destinée à d’éventuels besoins pour la commande d’autres convertisseurs.
Protection renforcée : Contre court-circuit, surtension, échauffement
Capteurs de courant : 3 capteurs effet Hall, 25A
Capteurs de tension : 3 capteurs 600V
Sortie de mesures : -10V / +10V (compatible avec CU-SLRT, DS1104, etc.)
Boîtier : Rackable 4U
Option Fibre optique : Compatible avec CU-SLRT pro+ pour la commande et les mesures.
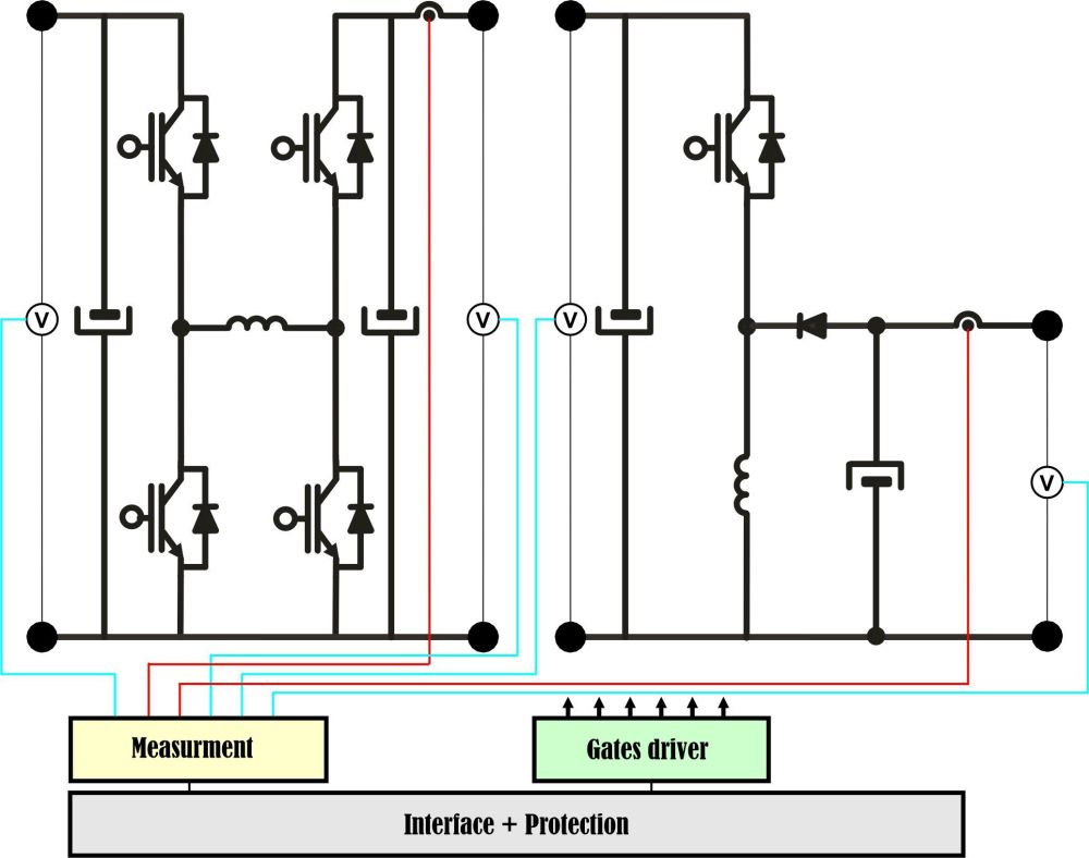
pec-VRC : redresseur Vienna


Le redresseur Vienna PEC-VRC est un convertisseur triphasé unidirectionnel conçu pour fournir une tension continue filtrée et régulée dépassant les valeurs de crête des tensions alternatives d'entrée. Le redresseur absorbe des courants sinusoïdaux du réseau avec un facteur de puissance unitaire tout en minimisant les distorsions harmoniques injectées dans le système. Cette combinaison de performances avancées et de polyvalence en fait une solution idéale pour une large gamme d'applications, notamment les entraînements de moteurs, les équipements industriels et les systèmes d'énergie renouvelable.
Le redresseur Vienna PEC-VRC est équipé de composants de puissance robustes, tels que des IGBT ou des MOSFET SiC, et intègre toutes les unités essentielles pour un fonctionnement fiable et précis, y compris le conditionnement des signaux de commande, la mesure des courants et des tensions, les dispositifs de protection et les inductances d'entrée. Grâce à son design optimisé et à ses performances thermiques supérieures, il constitue une solution de choix pour les applications nécessitant une alimentation en courant continu de haute qualité et une efficacité énergétique accrue.
Caractéristiques
Tension d’entrée max : '400VAC
Tension de sortie max : 800VDC (2x400VDC)
Courant max : 20A
Fréquence de commutation max :20 kHz pour IGBT, 200 kHz pour SiC
Inductance :5 mH / 10A pour IGBT, 1 mH / 30A pour SiC
Condensateur : 1000 µF
Entrée DB37 des signaux MLI : Compatible avec l’unité de commande CU-SLRT, CU-LVRT, CU-DSP, CU-ARM, CU-FPGA, CU-SOC et dSPACE (pas besoin d’interface d’isolation TTL/CMOS).
Sortie DB37 des signaux MLI : Non utilisée, destinée à d’éventuels besoins pour la commande d’autres convertisseurs.
Commande analogique : 0-10V
Protection renforcée : Contre court-circuit, surtension, échauffement
Capteurs de courant : 2 capteurs effet Hall, 25A
Capteurs de tension : 4 capteurs 600V pour le bus DC
Sortie de mesures : -10V / +10V (compatible avec CU-SLRT, DS1104, etc.)
Boîtier : Rackable 4U
Option Fibre optique : Compatible avec CU-SLRT pro+ pour la commande et les mesures.
pec-UDC : Convertisseur DC/DC unidirectionnel


Le convertisseur DC/DC PEC-UDC est un équipement de laboratoire polyvalent, conçu pour intégrer deux topologies indépendantes : un hacheur série (Buck) et un hacheur parallèle (Boost). Cette configuration offre une grande flexibilité pour répondre aux exigences variées des systèmes de conversion d’énergie en recherche et développement.
Hacheur Série (Buck) : Cette topologie est dédiée à la conversion descendante de tension. Elle réduit la tension d’entrée pour alimenter une charge avec une tension inférieure, tout en maintenant un haut niveau d’efficacité. Idéal pour les applications nécessitant un contrôle précis de la tension de sortie, le Buck permet d’alimenter les dispositifs sensibles à des tensions spécifiques.
Hacheur Parallèle (Boost) : Cette section est responsable de la conversion ascendante de tension. Elle augmente la tension d’entrée pour répondre aux besoins des applications exigeant une tension supérieure à celle fournie par la source. Le Boost est particulièrement adapté aux systèmes nécessitant un transfert d’énergie vers des charges à haute tension ou des batteries.
Grâce à l'indépendance fonctionnelle des deux topologies, le PEC-UDC permet une exploration approfondie des stratégies de contrôle pour chaque configuration, offrant ainsi une solution idéale pour la recherche en électronique de puissance.
Le PEC-UDC est disponible en versions IGBT pour des solutions économiques et en versions SiC pour des performances avancées, notamment une densité de puissance élevée, une fréquence de commutation accrue et une gestion thermique optimisée.
Caractéristiques
pec-BDC : Convertisseur DC/DC Bidirectionnel


Le convertisseur DC/DC bidirectionnel PEC-BDC est un outil de laboratoire avancé conçu pour intégrer deux topologies indépendantes : un hacheur réversible deux quadrants et un hacheur réversible quatre quadrants. Cette architecture permet une flexibilité et une polyvalence optimales pour la recherche et le développement dans le domaine de l’électronique de puissance et des systèmes d’énergie avancés.
Hacheur Réversible Deux Quadrants : Ce Hacheur est conçu pour permettre un flux bidirectionnel d’énergie tout en contrôlant soit la tension soit le courant dans deux quadrants (quadrants I et II). Il est idéal pour des applications telles que le stockage d’énergie, où l’énergie peut être transférée vers et depuis une source ou une charge, tout en maintenant un contrôle précis de la polarité et de l’intensité.
Hacheur Réversible Quatre Quadrants : Ce chopper offre un contrôle bidirectionnel de la tension et du courant dans les quatre quadrants (quadrants I, II, III et IV). Cela permet une gestion complète de l’énergie avec inversion de polarité et de courant, ce qui le rend adapté aux applications exigeantes telles que les moteurs à courant continu, les systèmes de freinage régénératif et les réseaux de distribution bidirectionnels.
Grâce à l'indépendance des deux topologies, le PEC-BDC permet une étude approfondie des stratégies de commande et des comportements dynamiques dans des conditions variées.
Le PEC-BDC est disponible en version IGBT pour des solutions fiables et économiques, ainsi qu’en version SiC pour des performances supérieures, offrant une densité de puissance élevée, une fréquence de commutation rapide et une gestion thermique avancée.
Caractéristiques
Maximum Input Voltage: 600V DC
Maximum Output Voltage: 600V DC
Maximum Current: 20A
Maximum Switching Frequency: 20 kHz for IGBT, 200 kHz for SiC
Inductance: 5 mH / 10A for IGBT, 1 mH / 30A for SiC
Capacitor: 1000 µF
DB37 Input for MLI Signals: Compatible with control units CU-SLRT, CU-LVRT, CU-DSP, CU-ARM, CU-FPGA, CU-SOC, and dSPACE (no TTL/CMOS isolation interface required).
DB37 Output for MLI Signals: Not used, intended for potential needs in controlling other converters.
Analog Control: 0-10V
Enhanced Protection: Against short-circuit, overvoltage, and overheating
Current Sensors: 2 Hall-effect sensors, 25A.
Voltage Sensors: 4 sensors, 600V.
Measurement Output: -10V / +10V (compatible with CU-SLRT, DS1104, etc.)
Enclosure: 4U Rack Mountable
Optical Fiber Option: Compatible with CU-SLRT pro+ for control and measurements.
pec-BBDC : Convertisseur DC/DC BUCK/Boost


Le convertisseur DC/DC de laboratoire PEC-BBDC est un outil de pointe conçu pour la recherche et le développement, intégrant deux topologies indépendantes : un hacheur BUCK/Boost réversible et un hacheur BUCK/Boost inverseur. Cette architecture offre une flexibilité exceptionnelle pour les applications avancées de conversion d'énergie, permettant d’explorer une large gamme de scénarios opérationnels.
Hacheur BUCK/Boost Réversible : Cette topologie combine les capacités de conversion ascendante (Boost) et descendante (Buck) avec un flux d'énergie bidirectionnel. Elle est idéale pour les applications nécessitant un contrôle précis de la tension et du courant dans les systèmes impliquant le stockage d'énergie ou le transfert bidirectionnel de puissance, tels que les batteries ou les sources d'énergie renouvelable.
Hacheur BUCK/Boost Inverseur : Cette topologie permet une conversion ascendante et descendante de la tension tout en inversant la polarité de la tension de sortie par rapport à l'entrée. Elle est particulièrement utile pour les applications nécessitant des alimentations à tension négative ou des systèmes où l'inversion de polarité est essentielle, comme les alimentations spécialisées et les systèmes de contrôle industriels.
Le PEC-BBDC est disponible en versions IGBT pour des opérations économiques à des fréquences de commutation modérées, et en versions SiC pour des besoins de haute performance, offrant une densité de puissance accrue, une commutation rapide et une efficacité thermique supérieure.
Caractéristiques
Tension d’entrée max : 600V DC
Tension de sortie max : 600V DC
Courant max : 20A
Fréquence de commutation max :20 kHz pour IGBT, 200 kHz pour SiC
Inductance :5 mH / 10A pour IGBT, 1 mH / 30A pour SiC
Condensateur : 1000 µF
Entrée DB37 des signaux MLI : Compatible avec l’unité de commande CU-SLRT, CU-LVRT, CU-DSP, CU-ARM, CU-FPGA, CU-SOC et dSPACE (pas besoin d’interface d’isolation TTL/CMOS).
Sortie DB37 des signaux MLI : Non utilisée, destinée à d’éventuels besoins pour la commande d’autres convertisseurs.
Commande analogique : 0-10V
Protection renforcée : Contre court-circuit, surtension, échauffement
Capteurs de courant : 2 capteurs effet Hall, 25A
Capteurs de tension : 4 capteurs 600V pour le bus DC
Sortie de mesures : -10V / +10V (compatible avec CU-SLRT, DS1104, etc.)
Boîtier : Rackable 4U
Option Fibre optique : Compatible avec CU-SLRT pro+ pour la commande et les mesures.
pec-LLC : Convertisseur DC/DC résonant LLC


Le convertisseur DC/DC résonant PEC-LLC est une solution avancée destinée aux laboratoires de recherche et aux applications industrielles exigeantes. Doté d’une topologie résonante LLC (Inductance-Inductance-Capacité), il offre une conversion d'énergie hautement efficace avec des pertes réduites et une densité de puissance élevée. Disponible en versions IGBT et SiC, le PEC-LLC allie fiabilité et performance : la version IGBT est idéale pour des applications à fréquence de commutation modérée, tandis que la version SiC exploite la technologie au carbure de silicium pour des fréquences de commutation élevées et une efficacité énergétique optimale. Conçu pour garantir un contrôle précis, une surveillance en temps réel et une protection intégrée, ce convertisseur constitue une solution idéale pour les systèmes d’alimentation isolés, les chargeurs de batteries et les systèmes de stockage d'énergie.
Caractéristiques
Tension d’entrée max : 600V DC
Tension de sortie max : 600V DC
Courant max : 20A
Fréquence de commutation max :20 kHz pour IGBT, 200 kHz pour SiC
Inductance :5 mH / 10A pour IGBT, 1 mH / 30A pour SiC
Condensateur : 1000 µF
Entrée DB37 des signaux MLI : Compatible avec l’unité de commande CU-SLRT, CU-LVRT, CU-DSP, CU-ARM, CU-FPGA, CU-SOC et dSPACE (pas besoin d’interface d’isolation TTL/CMOS).
Sortie DB37 des signaux MLI : Non utilisée, destinée à d’éventuels besoins pour la commande d’autres convertisseurs.
Commande analogique : 0-10V
Protection renforcée : Contre court-circuit, surtension, échauffement
Capteurs de courant : 2 capteurs effet Hall, 25A
Capteurs de tension : 4 capteurs 600V pour le bus DC
Sortie de mesures : -10V / +10V (compatible avec CU-SLRT, DS1104, etc.)
Boîtier : Rackable 4U
Option Fibre optique : Compatible avec CU-SLRT pro+ pour la commande et les mesures.
pec-CLLC: Convertisseur DC/DC résonant CLLC


Le convertisseur DC/DC résonant PEC-CLLC est une solution de pointe conçue pour des applications exigeantes en termes d'efficacité énergétique et de fiabilité. Doté d'une topologie résonante CLLC (Capacitor-Inductor-Inductor-Capacitor), ce convertisseur offre une conversion d'énergie bidirectionnelle, optimisée pour les systèmes de stockage d'énergie, les alimentations isolées et les applications à haute densité de puissance.
Disponible en versions IGBT et SiC, le PEC-CLLC combine des performances élevées, une gestion thermique optimisée et une faible distorsion harmonique, répondant ainsi aux besoins des laboratoires de recherche et des environnements industriels avancés.
Caractéristiques
Tension d’entrée max : 600V DC
Tension de sortie max : 600V DC
Courant max : 20A
Fréquence de commutation max :20 kHz pour IGBT, 200 kHz pour SiC
Inductance :5 mH / 10A pour IGBT, 1 mH / 30A pour SiC
Condensateur : 1000 µF
Entrée DB37 des signaux MLI : Compatible avec l’unité de commande CU-SLRT, CU-LVRT, CU-DSP, CU-ARM, CU-FPGA, CU-SOC et dSPACE (pas besoin d’interface d’isolation TTL/CMOS).
Sortie DB37 des signaux MLI : Non utilisée, destinée à d’éventuels besoins pour la commande d’autres convertisseurs.
Commande analogique : 0-10V
Protection renforcée : Contre court-circuit, surtension, échauffement
Capteurs de courant : 2 capteurs effet Hall, 25A
Capteurs de tension : 4 capteurs 600V pour le bus DC
Sortie de mesures : -10V / +10V (compatible avec CU-SLRT, DS1104, etc.)
Boîtier : Rackable 4U
Option Fibre optique : Compatible avec CU-SLRT pro+ pour la commande et les mesures.
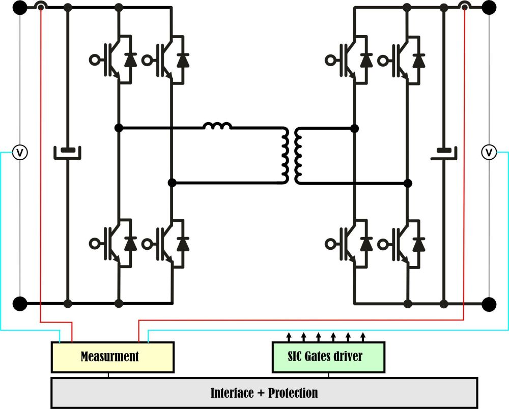
pec-DAB : Convertisseur DC/DC Bidirectionnel DAB


Le convertisseur DC/DC bidirectionnel à pont actif double (DAB) est une solution haute performance conçue pour les laboratoires de recherche. Il permet un transfert d'énergie bidirectionnel efficace entre deux niveaux de tension continue, ce qui le rend idéal pour des applications telles que les systèmes de stockage d'énergie, les véhicules électriques et l'intégration des énergies renouvelables.
Le convertisseur PEC-DAB est disponible en deux versions :
Version IGBT : Conçue pour des solutions économiques offrant des performances fiables dans les applications à fréquence de commutation moyenne.
Version SiC : Exploitant la technologie au carbure de silicium pour une efficacité supérieure, des fréquences de commutation plus élevées et des performances thermiques améliorées, adaptée aux besoins de recherche avancés et aux applications à haute densité de puissance.
Les deux versions sont équipées de fonctionnalités complètes, notamment des composants de puissance robustes, des unités de contrôle précises, un système de surveillance en temps réel et des mécanismes de protection, garantissant un fonctionnement sûr et optimal dans divers environnements expérimentaux.
Caractéristiques
Tension d’entrée max : 600V DC
Tension de sortie max : 600V DC
Courant max : 20A
Fréquence de commutation max :20 kHz pour IGBT, 200 kHz pour SiC
Inductance :5 mH / 10A pour IGBT, 1 mH / 30A pour SiC
Condensateur : 1000 µF
Entrée DB37 des signaux MLI : Compatible avec l’unité de commande CU-SLRT, CU-LVRT, CU-DSP, CU-ARM, CU-FPGA, CU-SOC et dSPACE (pas besoin d’interface d’isolation TTL/CMOS).
Sortie DB37 des signaux MLI : Non utilisée, destinée à d’éventuels besoins pour la commande d’autres convertisseurs.
Commande analogique : 0-10V
Protection renforcée : Contre court-circuit, surtension, échauffement
Capteurs de courant : 2 capteurs effet Hall, 25A
Capteurs de tension : 4 capteurs 600V pour le bus DC
Sortie de mesures : -10V / +10V (compatible avec CU-SLRT, DS1104, etc.)
Boîtier : Rackable 4U
Option Fibre optique : Compatible avec CU-SLRT pro+ pour la commande et les mesures.
pec-CSDC : Convertisseur DC/DC SOLAIRE


Le convertisseur DC/DC solaire PEC-CSDC, intégrant des topologies indépendantes interleaved boost et push-pull, est une solution de conversion d'énergie idéale pour les applications solaires, où chaque topologie fonctionne de manière totalement indépendante pour répondre à des besoins spécifiques. Ce type de convertisseur offre une grande flexibilité et une efficacité accrue, tout en apportant des avantages distincts pour différents aspects du système énergétique solaire.
Interleaved Boost : Cette section est dédiée à l'augmentation de la tension provenant des panneaux solaires, tout en réduisant les ondulations de courant et en améliorant l'efficacité globale du système. Grâce à son architecture interleaved, elle permet de partager la charge entre plusieurs convertisseurs, réduisant ainsi la sollicitation de chaque composant et optimisant la fiabilité ainsi que la durée de vie du système.
Push-Pull inverter : Cette section assure l'isolation galvanique et la conversion bidirectionnelle, ce qui la rend idéale pour les applications solaires où l'énergie doit être transférée entre des panneaux, des batteries ou un réseau. Elle garantit une séparation sûre entre les différentes parties du système, notamment entre la source d'énergie renouvelable et les dispositifs de stockage ou de distribution.
Chaque partie fonctionne indépendamment, ce qui permet d'optimiser et de contrôler chaque fonction en fonction des exigences spécifiques de l'application. Ce convertisseur est particulièrement adapté aux systèmes solaires de grande échelle, notamment pour les onduleurs photovoltaïques, les systèmes de stockage d'énergie (comme les batteries solaires) et les systèmes de gestion de l'énergie, tout en assurant une isolation efficace et une gestion thermique optimale.
Les versions IGBT sont idéales pour des solutions économiques à fréquence de commutation modérée, tandis que les versions SiC offrent des performances thermiques optimisées et une densité de puissance plus élevée pour des applications plus exigeantes.
Caractéristiques
Tension d’entrée max : 600V DC
Tension de sortie max : 600V DC
Courant max : 20A
Fréquence de commutation max :20 kHz pour IGBT, 200 kHz pour SiC
Inductance :5 mH / 10A pour IGBT, 1 mH / 30A pour SiC
Condensateur : 1000 µF
Entrée DB37 des signaux MLI : Compatible avec l’unité de commande CU-SLRT, CU-LVRT, CU-DSP, CU-ARM, CU-FPGA, CU-SOC et dSPACE (pas besoin d’interface d’isolation TTL/CMOS).
Sortie DB37 des signaux MLI : Non utilisée, destinée à d’éventuels besoins pour la commande d’autres convertisseurs.
Commande analogique : 0-10V
Protection renforcée : Contre court-circuit, surtension, échauffement
Capteurs de courant : 2 capteurs effet Hall, 25A
Capteurs de tension : 4 capteurs 600V pour le bus DC
Sortie de mesures : -10V / +10V (compatible avec CU-SLRT, DS1104, etc.)
Boîtier : Rackable 4U
Option Fibre optique : Compatible avec CU-SLRT pro+ pour la commande et les mesures.
pec-VSI1 : ONDULEUR DEUX NIVEAUX


Le PEC-VSI1 est un onduleur à source de tension (VSI) à 2 niveaux, conçu pour une large gamme d’applications de conversion d’énergie nécessitant une gestion de puissance fiable et efficace. Sa topologie simple et robuste à 2 niveaux garantit des performances de commutation rapides, ce qui en fait une solution idéale pour les systèmes exigeant une conception et un contrôle simplifiés.
Cet onduleur convient particulièrement aux applications telles que les entraînements de moteurs, les systèmes d’énergie renouvelable, les alimentations industrielles et les configurations de base des réseaux intelligents. Il offre une conversion de puissance efficace tout en réduisant la complexité du système, ce qui en fait un choix économique pour de nombreuses applications.
Disponible en versions IGBT pour des solutions économiques et en versions SiC pour des performances thermiques et dynamiques avancées, le PEC-VSI1 est une option polyvalente et fiable pour la recherche, le développement et les systèmes énergétiques pratiques.
Caractéristiques
Tension d’entrée max : 800VDC
Tension de sortie max : 400VAC
Courant max : 20A
Fréquence de commutation max :20 kHz pour IGBT, 200 kHz pour SiC
Condensateur : 1000 µF
Entrée DB37 des signaux MLI : Compatible avec l’unité de commande CU-SLRT, CU-LVRT, CU-DSP, CU-ARM, CU-FPGA, CU-SOC et dSPACE (pas besoin d’interface d’isolation TTL/CMOS).
Sortie DB37 des signaux MLI : Non utilisée, destinée à d’éventuels besoins pour la commande d’autres convertisseurs.
Protection renforcée : Contre court-circuit, surtension, échauffement
Capteurs de courant : 2 capteurs effet Hall, 25A
Capteurs de tension : 1 capteurs 600V pour le bus DC
Sortie de mesures : -10V / +10V (compatible avec CU-SLRT, DS1104, etc.)
Boîtier : Rackable 4U
Option Fibre optique : Compatible avec CU-SLRT pro+ pour la commande et les mesures.
pec-VSI2 : Convertisseur Multifonctions


Le PEC-VSI2 est un convertisseur multifonction polyvalent qui intègre un redresseur triphasé, un onduleur à source de tension (VSI) triphasé à deux niveaux et un hacheur, faisant de lui une solution tout-en-un pour les applications avancées de conversion et de gestion d'énergie. Grâce à sa conception modulaire, le PEC-VSI2 peut remplir plusieurs fonctions, offrant flexibilité et efficacité dans un système compact.
Disponible en versions IGBT et SiC, le PEC-VSI2 propose un choix entre des solutions économiques et des conceptions haute performance avec des caractéristiques thermiques et de commutation supérieures. Cela en fait un convertisseur fiable et adaptable pour la recherche, le développement et les systèmes énergétiques réels.
Caractéristiques
Tension d’entrée max : 800VDC
Tension de sortie max : 400VAC
Courant max : 20A
Fréquence de commutation max :20 kHz pour IGBT, 200 kHz pour SiC
Condensateur : 1000 µF
Entrée DB37 des signaux MLI : Compatible avec l’unité de commande CU-SLRT, CU-LVRT, CU-DSP, CU-ARM, CU-FPGA, CU-SOC et dSPACE (pas besoin d’interface d’isolation TTL/CMOS).
Sortie DB37 des signaux MLI : Non utilisée, destinée à d’éventuels besoins pour la commande d’autres convertisseurs.
Protection renforcée : Contre court-circuit, surtension, échauffement
Capteurs de courant : 3 capteurs effet Hall, 25A
Capteurs de tension : 1 capteurs 600V pour le bus DC
Sortie de mesures : -10V / +10V (compatible avec CU-SLRT, DS1104, etc.)
Boîtier : Rackable 4U
Option Fibre optique : Compatible avec CU-SLRT pro+ pour la commande et les mesures.
pec-9SW : Convertisseur 9 switch


Le PEC-9SW est un convertisseur polyvalent à neuf interrupteurs conçu pour des applications avancées de conversion d'énergie. Il intègre à la fois les fonctions d'un redresseur et d'un onduleur au sein d'un même système, ce qui en fait une solution idéale pour les applications nécessitant un flux d'énergie bidirectionnel et une haute efficacité. Cette topologie offre des avantages significatifs, notamment la réduction du nombre de composants, l'amélioration de la fiabilité du système et la minimisation de l'encombrement.
Disponible en versions IGBT et SiC, le PEC-9SW propose un équilibre entre des solutions économiques et des conceptions haute performance dotées de capacités thermiques et dynamiques avancées. Cela en fait un convertisseur fiable et adaptable pour une large gamme de systèmes énergétiques, qu'ils soient destinés à la recherche, au développement ou aux applications commerciales.
Caractéristiques
Tension d’entrée max : 600V DC
Tension de sortie max : 400VAC
Courant max : 20A
Fréquence de commutation max :20 kHz pour IGBT, 200 kHz pour SiC
Inductance :5 mH / 10A pour IGBT, 1 mH / 30A pour SiC
Condensateur : 1000 µF
Entrée DB37 des signaux MLI : Compatible avec l’unité de commande CU-SLRT, CU-LVRT, CU-DSP, CU-ARM, CU-FPGA, CU-SOC et dSPACE (pas besoin d’interface d’isolation TTL/CMOS).
Sortie DB37 des signaux MLI : Non utilisée, destinée à d’éventuels besoins pour la commande d’autres convertisseurs.
Protection renforcée : Contre court-circuit, surtension, échauffement
Capteurs de courant : 2 capteurs effet Hall, 25A
Capteurs de tension : 4 capteurs 600V pour le bus DC
Sortie de mesures : -10V / +10V (compatible avec CU-SLRT, DS1104, etc.)
Boîtier : Rackable 4U
Option Fibre optique : Compatible avec CU-SLRT pro+ pour la commande et les mesures.
pec-3LD : Convertisseur 3 niveaux NPC


Le PEC-3LD est un onduleur à source de tension (VSI) à 3 niveaux de type NPC (Neutral Point Clamped) conçu pour des applications avancées de conversion d’énergie. Sa topologie à 3 niveaux NPC améliore la qualité de puissance en réduisant les distorsions harmoniques et en assurant des niveaux de tension équilibrés à travers les composants, ce qui se traduit par une efficacité accrue et une réduction des contraintes sur les dispositifs de puissance. Cela fait du PEC-3LD un choix idéal pour les systèmes nécessitant une tension de sortie stable, propre et performante.
Cet onduleur est particulièrement adapté aux applications telles que les entraînements de moteurs, l’intégration des énergies renouvelables, les alimentations industrielles et les technologies des réseaux intelligents. Disponible en versions IGBT pour des solutions économiques et en versions SiC pour des performances thermiques et dynamiques supérieures, le PEC-3LD offre une solution fiable et de haute qualité pour les systèmes énergétiques exigeants, tout en garantissant une gestion optimale de l’énergie et une grande fiabilité.
Caractéristiques
Tension d’entrée max : 600V DC
Tension de sortie max : 600V DC
Courant max : 20A
Fréquence de commutation max :20 kHz pour IGBT, 200 kHz pour SiC
Inductance :5 mH / 10A pour IGBT, 1 mH / 30A pour SiC
Condensateur : 1000 µF
Entrée DB37 des signaux MLI : Compatible avec l’unité de commande CU-SLRT, CU-LVRT, CU-DSP, CU-ARM, CU-FPGA, CU-SOC et dSPACE (pas besoin d’interface d’isolation TTL/CMOS).
Sortie DB37 des signaux MLI : Non utilisée, destinée à d’éventuels besoins pour la commande d’autres convertisseurs.
Commande analogique : 0-10V
Protection renforcée : Contre court-circuit, surtension, échauffement
Capteurs de courant : 2 capteurs effet Hall, 25A
Capteurs de tension : 4 capteurs 600V pour le bus DC
Sortie de mesures : -10V / +10V (compatible avec CU-SLRT, DS1104, etc.)
Boîtier : Rackable 4U
Option Fibre optique : Compatible avec CU-SLRT pro+ pour la commande et les mesures.
pec-3LT : Convertisseur 3 niveaux type T


Le PEC-3LT est un onduleur à source de tension (VSI) de type T à 3 niveaux conçu pour des applications avancées de conversion d’énergie. Grâce à sa structure à 3 niveaux, il offre une qualité de puissance améliorée en réduisant les distorsions harmoniques et les contraintes sur les composants, ce qui en fait une solution idéale pour les systèmes nécessitant une tension de sortie propre et stable. La topologie de type T optimise l’efficacité en réduisant les pertes de commutation et en augmentant la fiabilité globale du système. Polyvalent et performant, le PEC-3LT est particulièrement adapté aux applications telles que les entraînements de moteurs électriques, les énergies renouvelables, les alimentations industrielles et les réseaux intelligents. Disponible en versions IGBT pour des solutions économiques et en versions SiC pour des performances thermiques et dynamiques avancées, il constitue une réponse robuste et flexible aux besoins croissants en matière d’efficacité énergétique et de qualité de puissance.
Caractéristiques
Tension d’entrée max : 600V DC
Tension de sortie max : 600V DC
Courant max : 20A
Fréquence de commutation max :20 kHz pour IGBT, 200 kHz pour SiC
Inductance :5 mH / 10A pour IGBT, 1 mH / 30A pour SiC
Condensateur : 1000 µF
Entrée DB37 des signaux MLI : Compatible avec l’unité de commande CU-SLRT, CU-LVRT, CU-DSP, CU-ARM, CU-FPGA, CU-SOC et dSPACE (pas besoin d’interface d’isolation TTL/CMOS).
Sortie DB37 des signaux MLI : Non utilisée, destinée à d’éventuels besoins pour la commande d’autres convertisseurs.
Commande analogique : 0-10V
Protection renforcée : Contre court-circuit, surtension, échauffement
Capteurs de courant : 2 capteurs effet Hall, 25A
Capteurs de tension : 4 capteurs 600V pour le bus DC
Sortie de mesures : -10V / +10V (compatible avec CU-SLRT, DS1104, etc.)
Boîtier : Rackable 4U
Option Fibre optique : Compatible avec CU-SLRT pro+ pour la commande et les mesures.
pec-5LD : Convertisseur 5 niveaux NPC


Le PEC-5LD est un onduleur à source de tension (VSI) à 5 niveaux de type NPC (Neutral Point Clamped), conçu pour les applications avancées de conversion d’énergie nécessitant une qualité de puissance exceptionnelle. Grâce à sa topologie à 5 niveaux, cet onduleur réduit de manière significative les distorsions harmoniques et les pertes de commutation, tout en permettant une gestion efficace des tensions intermédiaires. Cette architecture améliore l’efficacité globale et réduit les contraintes sur les composants, ce qui augmente la fiabilité du système.
Le PEC-5LD est particulièrement adapté aux applications exigeantes telles que les entraînements de moteurs haute puissance, l’intégration des énergies renouvelables à grande échelle, les alimentations industrielles sensibles et les infrastructures des réseaux intelligents. En offrant des versions IGBT pour des solutions économiques et des versions SiC pour des performances thermiques et dynamiques supérieures, le PEC-5LD répond aux besoins des systèmes énergétiques modernes, alliant flexibilité, robustesse et efficacité énergétique.
Caractéristiques
Tension d’entrée max : 800VDC (4x200VDC)
Tension de sortie max : 400VAC
Courant max : 20A
Fréquence de commutation max :20 kHz pour IGBT, 200 kHz pour SiC
Condensateur : 1000 µF
Entrée DB37 des signaux MLI : Compatible avec l’unité de commande CU-SLRT, CU-LVRT, CU-DSP, CU-ARM, CU-FPGA, CU-SOC et dSPACE (pas besoin d’interface d’isolation TTL/CMOS).
Sortie DB37 des signaux MLI : Non utilisée, destinée à d’éventuels besoins pour la commande d’autres convertisseurs.
Protection renforcée : Contre court-circuit, surtension, échauffement
Capteurs de courant : 2 capteurs effet Hall, 25A
Capteurs de tension : 4 capteurs 600V pour le bus DC
Sortie de mesures : -10V / +10V (compatible avec CU-SLRT, DS1104, etc.)
Boîtier : Rackable 4U
Option Fibre optique : Compatible avec CU-SLRT pro+ pour la commande et les mesures.
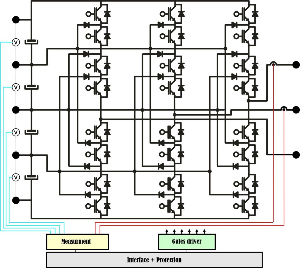
pec-MMc : Convertisseur MMC


Le PEC-MMC est un convertisseur modulaire multiniveaux (MMC) conçu pour des applications avancées de conversion et de gestion d'énergie. Grâce à sa topologie modulaire, il offre une grande flexibilité, une qualité de puissance exceptionnelle et une efficacité énergétique optimale. Le PEC-MMC est idéal pour des systèmes nécessitant des tensions élevées, une faible distorsion harmonique et une grande robustesse.
Disponible en versions IGBT et SiC, le PEC-MMC offre un choix entre des solutions économiques et des performances thermiques et dynamiques avancées, garantissant une fiabilité et une adaptabilité pour des applications de pointe.
Caractéristiques
niveaux: 5 niveaux
Tension d’entrée max : 600VDC
Tension de sortie max : 400VAC
Courant max : 20A
Fréquence de commutation max :20 kHz pour IGBT, 200 kHz pour SiC
Condensateur : 220 µF
Entrée DB37 des signaux MLI : Compatible avec l’unité de commande CU-SLRT, CU-LVRT, CU-DSP, CU-ARM, CU-FPGA, CU-SOC et dSPACE (pas besoin d’interface d’isolation TTL/CMOS).
Sortie DB37 des signaux MLI : Non utilisée, destinée à d’éventuels besoins pour la commande d’autres convertisseurs.
Commande analogique : 0-10V
Protection renforcée : Contre court-circuit, surtension, échauffement
Capteurs de courant : 2 capteurs effet Hall, 25A
Capteurs de tension : 1 capteur 600V+12 capteurs 200V
Sortie de mesures : -10V / +10V (compatible avec CU-SLRT, DS1104, etc.)
Boîtier : Rackable 4U
Option Fibre optique : Compatible avec CU-SLRT pro+ pour la commande et les mesures.
pec-PUC : Convertisseur PUC


Le PEC-PUC est un convertisseur Packed U-Cell (PUC) conçu pour offrir une conversion d'énergie haute performance dans un large éventail d'applications. Grâce à sa topologie unique, le convertisseur PUC réduit le nombre de composants par rapport aux convertisseurs multiniveaux traditionnels, tout en maintenant une excellente qualité de puissance et une grande efficacité. Cela en fait une solution compacte et économique pour les systèmes énergétiques avancés.
Le PEC-PUC est disponible en versions IGBT et SiC, offrant un choix entre des conceptions économiques et des options hautes performances avec des caractéristiques thermiques et dynamiques supérieures. Ce convertisseur est parfaitement adapté à la recherche, au développement et aux applications concrètes nécessitant des solutions de conversion d'énergie fiables et compactes.
Caractéristiques
pec-CYC: CYcloconvertisseur


Le PEC-CYC est un cycloconvertisseur haute performance conçu pour une conversion efficace de l'énergie AC en AC. Il convertit directement une tension AC d'une fréquence donnée en une tension AC de fréquence différente sans nécessiter de conversion intermédiaire en courant continu. Ce convertisseur est particulièrement utile dans les applications où la conversion de fréquence est nécessaire, telles que dans les entraînements de moteurs, les systèmes de puissance et les applications industrielles.
Caractéristiques
Tension d’entrée max : 400VAC
Tension de sortie max : 340VAC
Courant max : 20A
Entrée DB37 des signaux de commande : Compatible avec l’unité de commande CU-SLRT, CU-LVRT, CU-DSP, CU-ARM, CU-FPGA, CU-SOC et dSPACE (pas besoin d’interface d’isolation TTL/CMOS).
Sortie DB37 des signaux MLI : Non utilisée, destinée à d’éventuels besoins pour la commande d’autres convertisseurs.
Protection renforcée : Contre court-circuit, surtension, échauffement
Capteurs de courant : 2 capteurs effet Hall, 25A
Capteurs de tension : 2 capteurs 600V pour tensions d'entrées.
Sortie de mesures : -10V / +10V (compatible avec CU-SLRT, DS1104, etc.)
Boîtier : Rackable 4U
Option Fibre optique : Compatible avec CU-SLRT pro+ pour la commande et les mesures.
pec-CYC: CYcloconvertisseur


Le PEC-BBC est un convertisseur back-to-back (BBC) conçu pour des applications de conversion AC-DC-AC bidirectionnelles. Grâce à sa conception innovante, il permet de convertir une tension alternative d'entrée en une tension continue intermédiaire, puis de reconvertir cette tension continue en une tension alternative de sortie, avec un contrôle précis de l'amplitude, de la fréquence et de la phase. Ce convertisseur est particulièrement adapté aux applications nécessitant une conversion rapide, fiable et flexible de l'énergie.
Le PEC-BBC est disponible en versions IGBT et SiC, offrant un choix entre des solutions économiques et des options hautes performances. La version IGBT est idéale pour les systèmes à fréquence de commutation modérée, tandis que la version SiC offre des performances thermiques et dynamiques avancées pour des applications exigeantes.
Ce convertisseur polyvalent est utilisé dans des domaines tels que les entraînements de moteurs, les systèmes HVDC, l'intégration des énergies renouvelables, les micro-réseaux, et les applications industrielles nécessitant un contrôle de puissance précis et une efficacité énergétique optimale.
Caractéristiques
Tension d’entrée max : 400VAC
Tension DC max : 800VDC
Tension de sortie max : 400VAC
Courant max : 20A
Entrée DB37 des signaux de commande : Compatible avec l’unité de commande CU-SLRT, CU-LVRT, CU-DSP, CU-ARM, CU-FPGA, CU-SOC et dSPACE (pas besoin d’interface d’isolation TTL/CMOS).
Sortie DB37 des signaux MLI : Non utilisée, destinée à d’éventuels besoins pour la commande d’autres convertisseurs.
Protection renforcée : Contre court-circuit, surtension, échauffement
Capteurs de courant : 5 capteurs effet Hall, 25A
Capteurs de tension : 3 capteurs 600V pour tensions d'entrées.
Sortie de mesures : -10V / +10V (compatible avec CU-SLRT, DS1104, etc.)
Boîtier : Rackable 4U
Option Fibre optique : Compatible avec CU-SLRT pro+ pour la commande et les mesures.
Applications
Commande de moteurs (moteurs asynchrone, moteurs synchrones et moteurs synchrones à aimants permanents).
Intégration des énergies renouvelables (éoliennes et systèmes d'énergie des vagues).
Qualité de l'énergie (correction du facteur de puissance et compensation des harmoniques).
Véhicules électriques et systèmes de traction.
Microréseaux et réseaux intelligents (Smart Grid).
Applications aérospatiales et à haute fréquence.
Systèmes de récupération d'énergie.
Systèmes HAVAC (chauffage, ventilation et climatisation).
Alimentations sans interruption (UPS).
pec-DMC : Convertisseur Matriciel direct
pec-IMC : Convertisseur Matriciel INdirect



Le PEC-IMC est un convertisseur matriciel indirect (IMC) conçu pour une conversion AC-AC efficace avec un lien intermédiaire en courant continu. Contrairement aux systèmes traditionnels, ce lien DC n’implique pas de stockage d’énergie mais fournit une étape de découplage permettant une meilleure flexibilité et efficacité dans le contrôle de la puissance. Le PEC-IMC est idéal pour des applications nécessitant des performances robustes, un design compact et un contrôle précis de la fréquence et de la tension.
Le PEC-IMC est disponible en versions IGBT et SiC, offrant des solutions économiques ou hautes performances adaptées aux besoins avancés en conversion d’énergie.
Caractéristiques
Tension d’entrée max : 400VAC
Tension de sortie max : 340VAC
Courant max : 20A
Fréquence de commutation max :20 kHz pour IGBT, 200 kHz pour SiC
Inductance de filter :5 mH / 10A pour IGBT, 1 mH / 30A pour SiC
Condensateur de filter : 10 µF
Entrée DB37 des signaux MLI : Compatible avec l’unité de commande CU-SLRT, CU-LVRT, CU-DSP, CU-ARM, CU-FPGA, CU-SOC et dSPACE (pas besoin d’interface d’isolation TTL/CMOS).
Sortie DB37 des signaux MLI : Non utilisée, destinée à d’éventuels besoins pour la commande d’autres convertisseurs.
Protection renforcée : Contre court-circuit, surtension, échauffement
Capteurs de courant : 2 capteurs effet Hall, 25A
Capteurs de tension : 2 capteurs 600V pour tensions d'entrées+ 1 capteur pour Udc.
Sortie de mesures : -10V / +10V (compatible avec CU-SLRT, DS1104, etc.)
Boîtier : Rackable 4U
Option Fibre optique : Compatible avec CU-SLRT pro+ pour la commande et les mesures.
pec-sIMC : Convertisseur Matriciel INdirect creux


Le PEC-SIMC est un convertisseur matriciel indirect creux optimisé pour réduire la complexité et le nombre de composants. Grâce à un nombre réduit d’interrupteurs et une conversion AC-AC hautement efficace, le PEC-SIMC fournit une solution compacte et économique pour les entraînements de moteurs industriels, les systèmes d’énergie renouvelable et les réseaux intelligents.
Disponible en versions IGBT et SiC, le PEC-SIMC garantit une fiabilité élevée et une grande adaptabilité pour des applications de recherche et industrielles.
Caractéristiques
Tension d’entrée max : 400VAC
Tension de sortie max : 340VAC
Courant max : 20A
Fréquence de commutation max :20 kHz pour IGBT, 200 kHz pour SiC
Inductance de filter :5 mH / 10A pour IGBT, 1 mH / 30A pour SiC
Condensateur de filter : 10 µF
Entrée DB37 des signaux MLI : Compatible avec l’unité de commande CU-SLRT, CU-LVRT, CU-DSP, CU-ARM, CU-FPGA, CU-SOC et dSPACE (pas besoin d’interface d’isolation TTL/CMOS).
Sortie DB37 des signaux MLI : Non utilisée, destinée à d’éventuels besoins pour la commande d’autres convertisseurs.
Protection renforcée : Contre court-circuit, surtension, échauffement
Capteurs de courant : 2 capteurs effet Hall, 25A
Capteurs de tension : 2 capteurs 600V pour tensions d'entrées+ 1 capteur pour Udc.
Sortie de mesures : -10V / +10V (compatible avec CU-SLRT, DS1104, etc.)
Boîtier : Rackable 4U
Option Fibre optique : Compatible avec CU-SLRT pro+ pour la commande et les mesures.
pec-vsMC : Convertisseur Matriciel INdirect tres creux


Le PEC-VSMC est un convertisseur matriciel très creux avec une topologie simplifiée minimisant le nombre de composants actifs tout en maintenant une conversion de puissance performante. Ce design léger est parfait pour des applications où l’espace, le coût et l’efficacité sont cruciaux.
Les versions IGBT et SiC du PEC-VSMC sont disponibles, offrant des options pour une large gamme de besoins en puissance et en fréquence.
Caractéristiques
Tension d’entrée max : 400VAC
Tension de sortie max : 340VAC
Courant max : 20A
Fréquence de commutation max :20 kHz pour IGBT, 200 kHz pour SiC
Inductance de filter :5 mH / 10A pour IGBT, 1 mH / 30A pour SiC
Condensateur de filter : 10 µF
Entrée DB37 des signaux MLI : Compatible avec l’unité de commande CU-SLRT, CU-LVRT, CU-DSP, CU-ARM, CU-FPGA, CU-SOC et dSPACE (pas besoin d’interface d’isolation TTL/CMOS).
Sortie DB37 des signaux MLI : Non utilisée, destinée à d’éventuels besoins pour la commande d’autres convertisseurs.
Protection renforcée : Contre court-circuit, surtension, échauffement
Capteurs de courant : 2 capteurs effet Hall, 25A
Capteurs de tension : 2 capteurs 600V pour tensions d'entrées+ 1 capteur pour Udc.
Sortie de mesures : -10V / +10V (compatible avec CU-SLRT, DS1104, etc.)
Boîtier : Rackable 4U
Option Fibre optique : Compatible avec CU-SLRT pro+ pour la commande et les mesures.
pec-usMC: Convertisseur Matriciel INdirect ultra creux


Le PEC-USMC est un convertisseur matriciel ultra creux, représentant la réduction ultime du nombre d’interrupteurs tout en préservant la capacité à effectuer une conversion AC-AC avec une efficacité élevée et une faible distorsion harmonique. Son design ultra-compact le rend idéal pour des applications de pointe, telles que les systèmes aérospatiaux, les entraînements de moteurs avancés et les dispositifs d’énergie portables.
Le PEC-USMC est disponible en versions IGBT et SiC, offrant un équilibre entre faisabilité économique et exigences de haute performance.
Caractéristiques
Tension d’entrée max : 400VAC
Tension de sortie max : 340VAC
Courant max : 20A
Fréquence de commutation max :20 kHz pour IGBT, 200 kHz pour SiC
Inductance de filter :5 mH / 10A pour IGBT, 1 mH / 30A pour SiC
Condensateur de filter : 10 µF
Entrée DB37 des signaux MLI : Compatible avec l’unité de commande CU-SLRT, CU-LVRT, CU-DSP, CU-ARM, CU-FPGA, CU-SOC et dSPACE (pas besoin d’interface d’isolation TTL/CMOS).
Sortie DB37 des signaux MLI : Non utilisée, destinée à d’éventuels besoins pour la commande d’autres convertisseurs.
Protection renforcée : Contre court-circuit, surtension, échauffement
Capteurs de courant : 2 capteurs effet Hall, 25A
Capteurs de tension : 2 capteurs 600V pour tensions d'entrées+ 1 capteur pour Udc.
Sortie de mesures : -10V / +10V (compatible avec CU-SLRT, DS1104, etc.)
Boîtier : Rackable 4U
Option Fibre optique : Compatible avec CU-SLRT pro+ pour la commande et les mesures.

vsi-vfc
Contrôle moteur V/F pour l'onduleur SEMIKRON :
VSI-VFC est un système de contrôle numérique basé sur un microcontrôleur performant permettant de tester l'onduleur SEMIKRON en générant les impulsions nécessaires pour les grilles des IGBT de l'onduleur. Le contrôle constant V/Hz pour le moteur à induction AC et la technique de modulation de largeur d'impulsion (PWM) sont utilisés.
Caractéristiques
Entrées PWM : Génération interne par microcontrôleur.
Sorties PWM : 06 sorties de +15V.
Contrôle : Contrôle V/F pour moteur AC.
Puissance de l'onduleur : 15V, 2A.
Alimentation : AC 220V.
Contrôle de hacheur : Non.
Dimensions : 210x140x50 mm.
Poids : 0.4 kg.





vsi-mc3
Interface pour DS1104 ve
Le VSI-MC3 est une carte d'interface qui permet à l'utilisateur de convertir les signaux de contrôle vers l'onduleur SEMIKRON. Cette carte est compatible avec CU-SLRT (Simulink en temps réel), toutes les cartes CU MCU (ARM, DSP, FPGA, etc.) et les cartes dSPACE (DS1104, DS1103, etc.).
vsi-pv3

Interface pour DS1104 vers un système PV (photovoltaïque) à sortie triphasée basé sur l'onduleur SEMIKRON :
Le VSI-PV3 est une carte d'interface qui permet à l'utilisateur de convertir les signaux de contrôle vers un onduleur SEMIKRON triphasé avec un hacheur de renforcement pour les applications de systèmes solaires triphasés. Cette carte est compatible avec CU-SLRT (Simulink en temps réel), toutes les cartes MCU CU (ARM, DSP, FPGA, etc.) et les cartes dSPACE (DS1104, DS1103...).
Caractéristiques
Entrées PWM : CU-SLRT, unités de contrôle moteur CU (DSP, ARM, FPGA, PC, etc.), dSPACE.
Sorties PWM : 07 sorties de +15V (Onduleur SEMIKRON).
Contrôle : Externe.
Puissance de l'onduleur : 15V, 2A.
Alimentation : AC 220V.
Contrôle du hacheur : Oui.
Dimensions : 210x140x50 mm.
Poids : 0.4 kg.

Interface pour DS1104 vers un système PV monophasé basé sur l'onduleur SEMIKRON :
Le VSI-PV1 est une carte d'interface permettant à l'utilisateur de convertir les signaux de commande en onduleur SEMIKRON pour générer un système photovoltaïque monophasé complet avec hacheur de suralimentation, chargeur de batterie et onduleur monophasé. Cette carte est compatible avec CU-SLRT (Simulink real time), toutes les cartes CU MCU (ARM, DSP, FPGA..) et les cartes dSPACE (DS1104, DS1103...) .
vsi-pv1
Caractéristiques
Entrées PWM : CU-SLRT, unités de contrôle moteur CU (DSP, ARM, FPGA, PC, etc.), dSPACE.
Sorties PWM : 07 sorties de +15V (Onduleur SEMIKRON).
Contrôle : Externe.
Puissance de l'onduleur : 15V, 2A.
Alimentation : AC 220V.
Contrôle du hacheur : Oui.
Dimensions : 210x140x50 mm.
Poids : 0.4 kg.
Entrées PWM : CU-SLRT, unités de contrôle moteur CU (DSP, ARM, FPGA, PC, etc.), dSPACE.
Sorties PWM : 06 sorties de +15V (Onduleur SEMIKRON).
Contrôle : Externe.
Puissance de l'onduleur : 15V, 2A.
Alimentation : AC 220V.
Contrôle du hacheur : Non.
Dimensions : 210x140x50 mm.
Poids : 0.4 kg.